qy球友会为提供你磁选机、干式磁选机、湿式磁选机、小型磁选机、高梯度磁选机等磁选设备,欢迎咨询磁选机价格。
磁选机服务热线
全国客服热线:

18863691282

当前位置:首页  >  悬挂式电磁除铁器  >  RCDEJ型强迫油循环电磁除铁器
  • RCDEJ型强迫油循环电磁除铁器
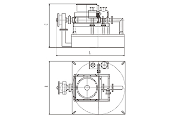
RCDEJ型强迫油循环电磁除铁器

RCDEJ型强迫油循环电磁除铁器

  • 生产厂家:山东qy球友会有限公司
  • 价格:面议
  • 电话:18863691282
  • 产品描述:RCDEJ型强迫油循环电磁除铁器适用于输煤港口、大型火电厂、煤矿等对除铁要求特别高的场所。用于悬挂在大型输送皮带上方,能有效清除煤中雷管炮线等细小铁件,对清除杂铁,提高物料品位起到重要的作用,可在粉尘、潮湿、盐雾腐蚀严重的恶劣环境下运行。
  • 在线订购
“RCDEJ型强迫油循环电磁除铁器”详细介绍:


产品介绍:

RCDEJ型强迫油循环电磁除铁器适用于输煤港口、大型火电厂、煤矿等对除铁要求特别高的场所。用于悬挂在大型输送皮带上方,能有效清除煤中雷管炮线等细小铁件,对清除杂铁,提高物料品位起到重要的作用,可在粉尘、潮湿、盐雾腐蚀严重的恶劣环境下运行。

工作原理:

技术参数: